[헬로티]
글로벌 시장조사기관 스태티스타(Stastita)에 따르면, 2025년까지 IoT 디바이스는 750억 대를 넘어설 것으로 전망된다. 이는 UN이 예상하는 같은 해 세계 인구수인 81억 명을 훨씬 웃도는 수치이다. 따라서 IoT는 기술 회사의 가장 큰 성장 동력이 될 것으로 보인다. 이러한 IoT 디바이스의 가장 중요한 특징으로는 커넥티비티를 꼽을 수 있다.

무선으로 연결되는 장치에는 RF 무선 통신기, 안테나, 그리고 전자 신호를 전자기파로 변환하거나 전자기파를 전자 신호로 변환하는 회로가 탑재된다. 설계자는 다음 두 가지 방법 중 골라 이 회로를 구현한다. 첫 번째는 RF 칩셋을 사용해 관련 RF 부품을 설계하는 것이고, 두 번째는 RF 칩셋과 관련 RF 부품이 이미 장착된 모듈을 사용하는 것이다. 본 글에서는 이 두 가지 방법을 비교하고, 설계 결정에 도움이 될 정보를 제공하고자 한다.
칩셋과 모듈을 사용한 RF 부품
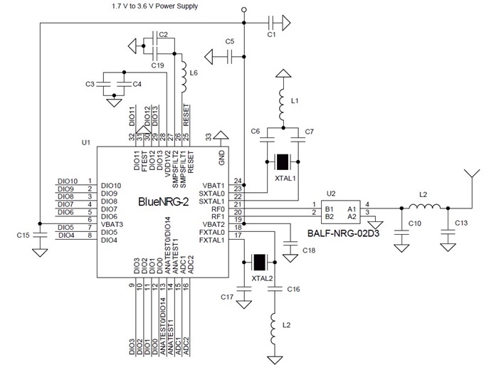
칩셋 방식을 사용하여 구현한 RF 부품은 RF IC, 안테나, 발룬 및 필터, 정합 회로망, 크리스털, 기타 수동소자로 구성된다. [그림 1]은 ST마이크로일렉트로닉스(STMicroelectronics, 이하 ST)의 BlueNRG BLE SoC를 사용하여 구현한 참조 회로도이다.
모듈 방식을 사용하여 구현하는 편이 훨씬 간단하다. [그림 1]과 동일한 회로 역시 가용 모듈을 사용해 쉽게 구현할 수 있다. [그림 2]는 ST가 제조한 BlueNRG-M2SA 모듈의 핀 배치 및 내부 블록 다이어그램이다. 이 모듈은 BlueNRG-2 SoC와 관련 회로를 사용해 구현된다.

그림 1. BlueNRG-2 참조 회로도

그림 2. BlueNRG-M2SA 핀 배치 및 내부 블록
칩셋 방식과 모듈 방식 비교
적합한 방식을 선택할 때 고려해야 할 주요 측면으로는 출시 시간, 인증, 비용 총 세 가지를 들 수 있다. 논리적 이해를 돕기 위해 이를 하나씩 살펴보겠다.
1) 출시 시간
칩셋을 사용하는 RF 부품을 설계하는 몇 가지 과정은 다음과 같다.
① 회로도 및 레이아웃 설계
② PCB 제조업체의 PCB 개발
③ PCB 장착
④ 소자 값 미세 조정을 통한 성능 최적화
⑤ 모듈의 모든 구성 요소 주문 후 제조
⑥ RF 시험 및 인증
칩셋을 사용하는 RF 부품을 설계하는 데만 거의 3~6개월이 걸린다. RF 설계자, 공급망, 여러 서비스 파트너(PCB 제조업체 및 EMS 회사) 등도 필요하다. 이 방식은 대량 생산에는 적합하지만 프로토타입 제작과 소량 생산에는 바람직하지 않다.
반면 모듈은 출시 시간을 단축하도록 설계한다. 모듈을 사용하면 RF 전문 지식이 전혀 없어도 커넥티비티를 추가할 수 있다. 또한 구현을 신속하게 완료할 수 있는데, 설계자가 RF 부품만 확보하면 드롭인 방식으로 모듈을 추가하여 손쉽게 무선 커넥티비티를 구현하기 때문이다. 따라서 설계자는 제품을 매우 빠르게 출시할 수 있다. 이런 장점은 프로토타입 제작이나 소량 생산에서 특히 중요하다.
2) 인증
사실상 모든 전자 장치는 일반적으로 방출 시험을 거친다. 뿐만 아니라 RF 부품이 장착된 장치는 의도 방사체로 취급된다. 따라서 추가 인증을 통해 허용 수준 이상의 전력을 방출하거나 다른 장치 또는 주파수 대역을 방해하지 않는지 확인하는 검사가 필요하다. 국제 인증은 따로 마련되어 있지 않으며, 국가나 지역마다 고유한 표준이 있다. 표준은 비슷한 경우가 많지만, 애플리케이션과 관련 프로세스가 필요하다.
또한, BLE나 Wi-Fi, GPRS와 같은 대부분의 RF 기술은 해당 조직이 정한 표준을 준수해야 한다. 그러면 앞서 언급한 모듈, 즉 ST의 BlueNRG SoC 모듈과 BlueNRG-M2SA 모듈을 사용할 경우의 인증 문제를 살펴보자.
BLE(Bluetooth Low Energy) 지원 장치는 Bluetooth 감독 기구인 Bluetooth SIG의 인증을 받아야 Bluetooth 로고를 사용할 수 있다. 각 국가와 지역에서 RF 인증도 받아야 한다. 일부 국가와 지역이 정한 인증으로는 FCC(미국), RED(유럽), WPC(인도), IC(캐나다), SRCC(중국), Type(일본)이 있다.
모듈은 이미 방사 장치로 시험 및 인증 과정을 거쳤으므로, 모듈을 사용해 구현한 설계는 추가 방사 장치 인증을 받을 필요가 없으며 또 다른 전자 장치로 취급된다. 아래는 칩셋과 모듈을 사용한 비용을 비교한 결과이다.

▲표 1
인증은 시간이 걸리고 지난한 과정이며, 비용이 많이 든다. 생산량이 많으면 규모의 경제로 비용을 상쇄할 수 있지만, 생산량이 적으면 비용을 효율적으로 벌충할 수 없다.
3) 비용
일부 비용 요소는 이미 앞서 언급했으며, 일반적인 비용은 다음과 같다.
- 회로 설계 비용
- 설계, 공급, 생산 비용
- 인증 비용
- 기회 비용
일반적으로 생산량이 연간 100,000~150,000개 이상이거나, 제품 사양 때문에 전용 모듈을 통합할 수 없는 경우에는 이 정도의 비용이 당연히 발생한다.
ST의 모듈 제품
ST는 다양한 저전력 RF 장치와 모듈을 생산한다. ST가 제공하는 일부 RF 칩셋과 관련 모듈은 [표 2]와 같다.

▲표 2
ST의 부품을 설계에 사용할 경우 제품 출시 후 10년 동안 ST로부터 해당 부품을 공급받거나 핀투핀(pin-to-pin) 방식으로 부품을 교체할 수 있다.
결론
완제품의 사양 때문에 모듈을 조정할 수 없거나 생산량이 많아 설계, 생산, 인증 비용을 맞출 수 없는 경우에는 칩셋 방식을 채택해야 한다. 모듈 방식은 핵심 기술 역량에 집중하고 번거로운 RF 설계를 피하려는 회사에서 선호한다. 프로토타입 제작과 소량 생산에도 모듈이 선호된다. ST는 저전력 RF 기술의 선두 주자로서, 앞서 언급한 것처럼 광범위한 용도로 사용할 수 있는 다양한 칩셋과 모듈을 제조하고 있다.
글 : 비샬 고얄(Vishal GOYAL) ST마이크로일렉트로닉스 기술 마케팅 그룹 매니저















































