고성능 LED 드라이버가 필요한 고휘도 LED(HB LED)의 시장 규모는 2012년 120억 달러였으며, 2015년까지 연평균 성장률 30.6%를 기록하며 202억 달러 규모로 성장할 것으로 예상되고 있다. LED에서 이와 같은 성장을 주도할 주요 애플리케이션 분야 중 하나로 차량용 설계 용도를 꼽을 수 있다. 거의 모든 신형 자동차 모델들이 스타일 선호도와 안전성 이점에 대한 고객의 요구에 의해 LED 주간주행등(DRL, Day Time Running Light)을 제공하고 있다. 혼다의 2013 어코드(Accord)는 대부분의 모델에서 LED DRL을 채택했으며, 튜어링 및 하이브리드 모델 모두에 대해 LED 헤드라이트를 제공하고 있다(그림 1). LED DRL 및 헤드램프 설계 파라미터 스톱/스타트, 콜드 크랭크, 로드 덤프 조건 단락회로 보호 EMI 관련사항 신형 차량용 HB LED 드라이버 컨트롤러 LT3795는 단락회로가 감지될 경우, 레귤레이터의 스위칭을 중단시켜 전력 경로에서 LED 어레이를 차단시키는 통합 단락회로 보호 기능을 제공한다. 특히, 차량용 DRL과 전조등에서 보이는 HB LED 애플리케이션의 지속적인 급성장은 보다 높은 성능과 비용 효과성에 대한 지속적인 요구에 의해 주도되고 있다. Jeff Gruetter 리니어 테크놀로지 코포레이션
차량용 전방 조명 애플리케이션
리니어 테크놀로지는 첨단 전방 조명 전조등에서 LCD 백라이트에 이르기까지 다양한 차량용 애플리케이션을 겨냥하여 고전류 LED 드라이버 IC 제품군을 개발했다. 차량용 조명 시스템에서 보다 높은 성능의 LED 드라이버가 지속적으로 요구됨에 따라 설계자들은 혁신적인 IC 솔루션을 확보해야 한다.
애플리케이션은 모든 종류의 실내 조명뿐 아니라 헤드라이트, 주간주행등, 제동등, 방향지시등에서 계기판 디스플레이 백라이트에 이르기까지 다양하다. 
이와 같이 인상적인 성장률을 유지하기 위해 LED는 강화된 신뢰성, 전력소모 절감, 보다 콤팩트한 폼팩터를 제공해야 하며 조정 가능한 헤드라이트, 차광 디밍 등과 같은 혁신적인 설계를 지원해야 한다. 뿐만 아니라 이 모든 개선 기능들은 상대적으로 부식성이 강한 차량의 엄격한 전기적 및 물리적 환경을 견디면서 최적화되어야 한다. 더군다나 이러한 솔루션들이 매우 낮은 프로파일, 콤팩트한 풋프린트를 제공하면서 그와 동시에 전체 비용 효율성을 강화해야 한다는 것은 말할 필요도 없다.
LED는 지난 몇 년간 주간주행등, 제동등, 방향지시등, 실내조명등에 사용되어 왔는데, 전조등 애플리케이션의 경우 이에 비해 새롭다고 할 수 있다.
현재 혼다 어코드, 아우디 A8 및 R8, 렉서스 LS600h 및 RX450h, 토요타 퓨리우스(Prius), 캐딜락의 에스컬레이드(Escalade), 포르쉐 카옌(Cayenne) 등 양산 차량의 일부에서만 LED 전조등을 제공하고 있다.
일부 업계의 추정 자료에 따르면, 현재 LED 전조등 시장은 2012년 약 10억 달러 규모이며, 2014년까지 20억 달러 이상으로 확대된 후 기하급수적으로 성장을 지속할 것으로 예상되고 있다.
차량용 조명 시스템 설계자에게 있어서 최대의 기술적 과제 중 하나는 최신 세대의 HB LED의 모든 이점을 어떻게 최적화시키는가 하는 것이다. HB LED는 디밍을 위한 수단으로 정확하고 효율적인 DC 전류 소스를 요구하며, 다양한 보호 기능이 제공되어야 한다.
이외에도 이들 LED 드라이버 IC는 매우 다양한 조건에서 이러한 요구사항들을 지원할 수 있도록 설계되어야 한다.
결과적으로 전력 솔루션은 기능과 신뢰성에 있어서 더욱 더 효율적이고 강건하며 매우 콤팩트하고 비용 효과적이어야 한다는 것이다.
HB LED 구동을 위한 가장 엄격한 애플리케이션은 논쟁의 여지 없이, DRL과 전조등 모두에서 사용되는 차량 전방 조명(Forward Lighting) 애플리케이션인데, 그 이유는 엄격한 차량 전기 환경에 영향을 받고 있고 일반적으로 15W에서 75W 사이의 높은 전력을 제공해야 하며 매우 공간 제한적인 영역에 적합해야 하면서도 동시에 매력적인 비용 구조를 유지해야 하기 때문이다.
소형 크기, 매우 긴 수명, 낮은 전력 소모, 강화된 디밍 성능 등과 같은 이점들이야말로 HB LED DRL과 전조등의 폭넓은 채용에 있어서 핵심 부분이라고 할 수 있다.
아우디, 메르세데스, 그리고 최근에는 렉서스, 혼다 등을 포함한 일부 제조업체들이 LED를 사용하여 자신들의 독창적인 브랜드 이미지의 일부로, 전조등 주변에 “아이브로우(Eyebrow)” 또는 “언더라인” 등과 같이 독특한 DRL을 설계하고 있다.
이들 애플리케이션들은 디자인 측면에서 매우 독특할 뿐만 아니라 신뢰할 수 있는 비용 효과적인 솔루션을 제공하는 데 있어서 몇 가지 설계 과제를 안고 있다. HB LED는 전조등의 하향 빔과 상향 빔 전체에 채용됨에 따라 그러한 기술 과제들이 한층 더 분명해지고 있다.
야간이나 비, 눈, 안개 등과 같이 좋지 않은 기상 조건에서 전방 조명을 제공하는 것이 전조등의 주요 기능이라는 것은 이미 잘 알려진 사실이다. 여기서, 더 높은 수준의 조명에 대한 요구는 전조등 진화의 주요 요인이었다.
1980년대의 경우, 50W의 전력을 사용하는 할로겐 기반 조명이 업계 표준이었으며 이들은 이전의 텅스텐 필라멘트 조명 대비 50% 향상된 약 1,500루멘의 조명을 제공할 수 있었다. 이것은 발광 효율(와트당 광 출력이라고 함), 와트당 제공되는 광, 30루멘/와트(lm/W)로 전환되었다.
1990년대 중반에는 제논(xenon) 기반의 HID(High Intensity Discharge) 램프가 일반화되었는데, 최대 80lm/W까지 제공할 수 있었기 때문에 제조업체들은 한층 더 높은 전체 광 출력을 제공할 수 있었다.
하지만, 이들 제품은 맞은편에서 다가 오는 자동차 운전자의 시각을 방해하지 않도록 정확하게 조정해야 한다거나 2,000시간 정도로 짧은 동작 수명, 독성이 있는 수은 가스 등과 같은 몇 가지 단점을 갖고 있었으며 제조 비용이 역시 매우 높았다. HB LED의 발광 효율은 지속적으로 개선되어 전조등 애플리케이션을 위해 최적화되어 왔다. 
5년 전 양산된 HB LED는 전조등 애플리케이션에 대해 충분하지 않은 50lm/W의 발광 효율을 제공했지만 현재의 LED 설계에서는 100lm/W를 제공하고 있으며, 이것은 최상의 HID 램프에 대한 요구가 높아짐에 따라 150lm/W를 넘어설 것으로 추정되고 있다. 와트당 거의 동일한 광 출력 양을 제공할 있고 긴 수명, 강건성, 환경친화적인 설계 등과 같은 장점들로 인해 차세대 전조등에 사용하는 데 있어서 특히 매력적이라고 할 수 있다.
LED를 차량 전조등과 DRL에 사용하는 것은 여러 긍정적인 효과를 내포하고 있다. 우선, 최대 10만 시간(11.5년)의 탁월한 긴 수명은 차량 수명을 넘어서므로 교체가 필요 없다.
그러므로 자동차 제조업체들은 교체를 위한 접근성을 요구하지 않으며, 이들을 차체에 영구적으로 내장할 수 있다.
또한 LED 조명 시스템은 HID 또는 할로겐과 같이 깊이나 공간을 요구하지 않으므로 스타일을 극적으로 변화시킬 수 있다.
HB LED는 입력 전력으로 광 출력(루멘)을 제공하는 데 있어서 할로겐 전구보다 효율적이다(머지 않아 HID를 추월할 것으로 예상되고 있다).
이것은 두 가지의 긍정적인 효과를 제공한다. 우선 차량 전원으로부터 보다 작은 전력을 소모하는데, EV 및 하이브리드 자동차에서 특히 중요하며 이와 마찬가지로 하우징 내에서 소산돼야 하는 열의 양을 낮춰 부피가 크고 비용이 높은 히트싱크에 대한 요구를 없앤다.
마지막으로 HB LED 어레이를 사용하고 전자 조향 또는 디밍을 지원함으로써 다양한 주행 조건에 대해 조명을 최적화시킬 수 있도록 간편하게 설계할 수 있다.
최적의 성능과 긴 동작 수명을 보장하기 위해, LED에는 효과적인 구동 회로가 필요하다. 이것은 드라이버 IC가 입력 전압 소스의 변동에 상관 없이 정확하고 효율적인 DC 전류뿐만 아니라 정확한 LED 전압 레귤레이션 기능을 제공해야 한다는 것을 의미한다.
다음으로 디밍 방법을 제공해야 하며, LED 개방 또는 단락 회로의 상황이 발생했을 경우 다양한 보호 기능을 제공해야 한다.
이들은 전기적으로 취약한 차량용 전력 버스를 통해 신뢰성 있게 동작할 뿐만 아니라 비용과 공간 모두에 대해 효율적이어야 한다.
최근 탄소 배출을 최소화하면서 연료 효율을 극대화시키기 위한 대안 주행 기술이 지속적으로 진화하고 있다.
앞으로는 이러한 새로운 기술들이 전기 하이브리드, 클린 디젤, 또는 보다 전통적인 연소 엔진 설계들을 통합하고 있는가에 상관하지 않고, 스톱/스타트 모터 설계를 필요로 하게 될 것이다.
유럽과 아시아를 포함하여 전세계 거의 모든 하이브리드 설계에서 이미 일반화되고 있으며, 자동차 제조업체들은 이러한 설계를 전통적인 휘발유 및 디젤 차량에도 통합해 왔다. 미국의 경우, 포드는 스톱/스타트 시스템을 향후 미국에서 출시될 모델들에 통합할 것이라고 발표했다.
엔진을 위한 스톱-스타트 시스템의 개념은, 간단히 말해 차량이 정차하면 엔진이 정지되고 차량이 다시 운행하기 직전에 재시동되는 것이다.
도로 상에서 차량이 운행 중 정지하거나 정지신호에서 멈췄을 때 이것은 사용되는 연료와 생성되는 배기가스를 제거한다. 스톱-스타트 설계는 연료소모와 배기가스를 5∼10%까지 줄일 수 있다.
하지만, 이러한 설계에서 가장 큰 기술 과제는 운전자가 감지할 수 없는 전체 스톱-스타트 시나리오를 만드는 것이다.
운전자가 스톱-스타트 기능을 인식하지 못하게 하는 데에는 두 가지 중요한 설계 문제가 있다. 첫 번째는 신속한 재시동 시간이다. 강화된 시동기 설계를 사용함으로써 일부 제조업체들은 재시동 시간을 0.5초 이하로 낮춰 거의 인식할 수 없도록 하고 있다. 두 번째 설계 기술 과제는 배터리로부터 직접 전력을 공급 받는 에어컨 시스템, 조명 등을 포함하여 모든 차량의 전자장치를 유지하면서 가속할 시간이 되었을 때 엔진을 신속하게 재시동할 수 있을 만큼 충분한 전력을 유지하는 것이다.
스톱-스타트 기능을 통합하려면 구동렬(Drive Train)에 대해 일정 정도의 설계 변경이 필요하다. 다시 말해 신속한 재시동을 보장하기 위해 강화된 모터 시동기로서 교류발전기 역시 2배가 될 수 있다. 뿐만 아니라, 엔진이 언제 어떻게 시동하고 정지할지 제어하기 위해 스톱-스타트 ECU(Electro-nic Control Unit)가 추가되어야 한다. 엔진/교류발전기가 오프상태로 전환되었을 때에도 배터리는 차량 조명, 환경 제어, 기타 전자장치 등에 전력을 공급할 수 있어야 한다. 또한 엔진이 다시 필요로 할 때 시동기에 전력을 공급할 수 있어야 한다.
이와 같이 배터리에 대한 극도의 부하는 또 다른 설계 기술 과제를 발생시키는데, 그 이유는 엔진을 재시동하는 데 필요한 전류가 일시적으로 배터리 전압을 최소 6V까지 낮출 수 있기 때문이다.
LED 드라이버의 기술 과제는 배터리 버스 전압이 잠시 동안 6V로 낮아졌을 때 지속적으로 레귤레이션된 출력 전압과 LED 전류를 제공하고, 충전기가 정상 상태 조건으로 복구할 때 일반적인 13.8V로 복귀되어야 한다는 것이다.
자동차의 엔진이 일정 기간 영하의 온도에 노출되었을 때 콜드 크랭크 조건이 발생한다. 엔진 오일의 점성이 극도로 강해지고 시동기 모터가 보다 많은 토크를 제공해야 하기 때문에 이로 인해 배터리에서 보다 많은 전류를 사용하게 된다.
이와 같이 큰 부하 전류는 점화 시 6V 이하의 배터리/1차 버스 전압을 사용할 수 있으며, 이후에 일반적인 13.8V로 복구된다.
로드-덤프 조건은 교류발전기가 여전히 배터리를 충전하고 있음에도 불구하고 배터리 케이블이 사고로 끊어졌을 때 발생한다. 또한 자동차가 동작 중일 때 배터리 케이블이 느슨해지거나 자동차가 주행 중일 때 배터리 케이블이 고장났을 때에도 발생할 수 있다.
이와 같이 배터리 케이블이 갑자기 단절될 경우, 교류발전기가 존재하지 않는 배터리를 완충시키려고 시도하므로 최고 60V의 과도 전압 스파이크를 생성할 수 있다.
교류발전기의 트랜솝(Transorb)은 일반적으로 버스 전압을 30V와 34V 사이에서 어느 정도 클램핑시키고 대부분의 서지를 흡수한다. 그러나 교류발전기 뒤에 있는 DC/DC 컨버터와 LED 드라이버는 최고 36V의 과도 전압 스파이크에 노출된다. 이러한 LED 드라이버는 계속 동작할 것으로 기대되며, 과도 현상 발생 시에도 지속적으로 출력 전압과 LED 전류를 레귤레이션해야 한다.
DRL과 전조등을 위해 단일 스트링에 사용되는 HB LED의 수는 6개에서 최대 20개이다. 공칭 입력 전압은 13.8V이고, 일부 과도전류 조건에서는 한층 더 낮아지므로 일반적으로 부스트 기반의 LED 드라이버 아키텍처가 선호되는데, 이것은 SEPIC 또는 벅-부스트 설계보다 효율적이고 간편하며 비용효과적이기 때문이다.
하지만, 최근까지도 부스트 아키텍처는 단락회로에 대한 보호 기능을 제공하기가 어려웠다. 차량용 애플리케이션에서 이것은 특히 중요한 부분인데, LED가 전면 충돌 손상에 취약하고 전기 아크(Electrical Arcing)가 흐르는 가솔린을 점화시킬 수 있기 때문이다. 이러한 이유로 과거에는 대부분의 전면 조명 LED 애플리케이션의 경우, 비용이 높고 복잡하지만 고유의 단락회로 보호 기능을 제공하는 SEPIC 솔루션을 사용했다.
그러나 매우 강건한 단락회로 보호 기능을 제공하는 새로운 부스트 LED 드라이버가 출시됨에 따라 향후의 애플리케이션은 이 설계를 사용하여 보다 효율적이고 비용효과적인 솔루션을 제공하게 될 것으로 생각된다.
LED 드라이버의 EMI(Electro Magnetic Inter- ference)를 낮추는 것은 전체 전력 버스 설계에서 유효하다. LED 드라이버는 일반적으로 스위칭 레귤레이터에 기반을 두고 있기 때문에 스위칭 잡음 수준을 낮추는 것이 바람직하다. 이것은 스프레드 스펙트럼 주파수 변조 기능을 통합함으로써 달성할 수 있다.
이러한 변조 방법은 그림 2와 같이 보다 넓은 주파수 영역으로 확산시켜 EMI 문제를 극적으로 해결함에 따라 출력 스위칭 잡음을 20dB까지 낮춰 준다.
다행스럽게도 이러한 딜레마를 해결할 수 있는 새로운 솔루션이 있는데, 리니어 테크놀로지의 LT3795 LED 드라이버이다.
LT3795은 100W 이상의 LED 전력을 제공할 수 있는 부스트 DC/DC LED 드라이버이다. 이 제품이 제공하는 6V에서 110V까지의 입력 전압 범위는 차량, 상용 트럭, 항공전자 시스템에서 사용되는 다양한 HB LED 애플리케이션에 대해 이상적이다. 이것의 상측 전류 감지 설계는 부스트, 벅-부스트, SEPIC, 벅 모드 아키텍처 등으로 구성될 수 있으므로 풍부한 설계 유연성을 제공한다. 또한 제품의 출력 전압을 0V에서 110V까지 설정할 수 있으므로, 단일 스트링에서 다양한 LED를 구동할 수 있을 뿐만 아니라 부스트 설계에서 매우 강건하고 간편한 단락회로 방지 기능을 제공한다.
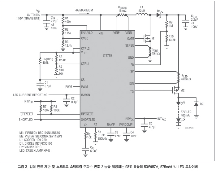
일반적인 50W 전조등 애플리케이션을 그림 3에 나타낸다. 이 애플리케이션은 600mA 이상의 LED 전류를 통해 최대 20개의 LED를 구동할 수 있는, 최대 87V의 LED 전압을 제공하는 부스트 아키텍처를 사용한다. 대부분의 DRL이 350mA 범위에서 8개∼15개의 LED를 사용하는 반면, 하향 빔 전조등은 약 1A LED의 약 50V를 사용할 것이며, 상향 빔 전조등은 최대 50V 조건에서 2A를 사용할 수 있다. LT3795는 이러한 애플리케이션 전체에서 사용될 수 있다.
LT3795는 상측 전류 감지 기능을 통합하고 있으며 부스트, 벅, 벅-부스트, SEPIC, 플라이백 토폴리지 등에서 사용할 수 있다. 뿐만 아니라 입력 및 출력 전류 제한과 모니터링 기능을 모두 제공하여 신뢰성과 설계 유연성을 강화했다.
LT3795는 또한 부스트 모드에서 94% 이상의 효율을 제공할 수 있어 외부 히트싱크에 대한 요구를 최소화시킨다. 사용자는 주파수 조정 핀을 사용하여 주파수를 100kHz∼1MHz 사이에서 프로그램할 수 있으므로 효율을 최적화시키면서 외부 부품의 크기와 비용을 최소화할 수 있다.
또한 스프레드 스펙트럼 주파수 변조 기능을 활성화시켜 스위칭 잡음을 20dB까지 낮춰 EMC성능을 향상시킬 수도 있다.
뿐만 아니라, 이것은 SHORTLED 핀을 통해 단락회로 조건을 보고한다. 단락회로 보호 기능이 활성화되면, LT3795의 단락회로가 복구되었는지 확인할 수 있는 히컵(hiccup) 모드 또는 디바이스를 재시작하기 위해 EN/ULVO을 토글링하는 데 필요한 래치오프(latch-off) 모드를 활용할 수 있도록 프로그램 할 수 있다. 이러한 기능은 부스트 및 벅-부스트 애플리케이션 전체에서 출력 전압에 상관 없이 강한 단락회로 보호 기능을 제공한다.
또한, LT3795는 개방 LED 보호 및 보고 기능을 제공하므로 LED 또는 스트링이 개방회로 상태로 되더라도 LED가 손상되지 않는다.
LT3795는 LED 스트링에서 일정한 조명을 보장하는 +3%의 LED 전류 정확도를 제공하며, +2%의 출력 전압 정확도는 다양한 LED 보호 기능을 제공하면서도 컨버터가 정전압 소스로 동작할 수 있도록 지원한다.
또한 LT3795는 PWM 디밍 기능을 활용하여 최대 3,000 : 1의 디밍 비율 또는 최대 20 : 1의 아날로그 디밍 비율을 제공한다. 추가적인 기능으로는 출력 차단, 입출력 전류 제한/모니터링, 통합 고장 보호 등을 들 수 있다.
이와 같이 높은 수준의 통합성과 열강화 TSSOP-28 패키지는 매우 콤팩트한 HB LED 드라이버 솔루션을 제공한다.
☆
이와 같은 요구들은 새로운 HB LED 드라이버 IC에 의해 지원되어야 한다. 결과적으로 이러한 LED 드라이버는 입력 전압 또는 LED 순방향 전압 변동에 상관 없이 균일한 휘도를 유지하기 위해 정전류를 제공하면서 고효율로 동작하며 매우 넓은 디밍 비율을 제공하고 시스템 신뢰성을 강화하기 위해 단락회로 및 개방회로 보호 등과 같은 다양한 보호 기능들을 제공해야 한다. 물론 이 LED 드라이버 회로는 매우 콤팩트하고 열 효율적인 로우-프로파일의 솔루션 풋프린트를 제공해야 한다.
다행스럽게도 리니어 테크놀로지는 LT3795와 같은 HB LED 드라이버 IC를 통해 자사의 LED 드라이버 제품군을 지속적으로 재정의함으로써 이러한 기술적 과제들을 충족시키고 있다.



















































