[헬로티]
최근 몇 년 사이에 진공 청소기, 전동 공구(전동 드릴, 전기 톱, 전동 드라이버 등), 원예 장비(예초기, 톱, 잔디 깎는 기계) 같은 많은 제품들이 코드를 연결하는 유선 형태에서 충전가능한 배터리 팩을 사용해서 무선으로 작동하는 방식으로 전환되고 있다. 자전거처럼 이전에는 동력을 사용하지 않던 제품들까지도 배터리로 구동되는 전기 자전거나 전동스쿠터 형태로 전환되고 있다.
배터리 모니터링을 통해 정확도를 높이고, 사용 시간은 연장시키면서, 안정성을 향상시키는 방법
배터리 팩은 개별의 리튬 이온, 리튬 폴리머, 혹은 인산 리튬 전지들로 이루어져 있으며, 부적절하게 취급했을 때 화재나 폭발의 위험이 있다. 안전한 사용을 위해, 팩에 포함된 전자제품은 전지 제조업체가 규정한 조건 내에서 사용해야한다. 이러한 조건들로는 다음과 같은 것들을 들 수 있다:
● 최대 허용 충전 전압
● 충전과 방전 전류의 최대치
● 충전과 방전 시의 온도 범위
그러므로 배터리 팩 내의 전지들의 전압, 전류, 온도 같은 파라미터를 측정하는 것이 중요하며, 이러한 파라미터들이 설정된 한계 값을 초과하면 그에 따른 적절한 보호 조치를 취할 수 있다.
설계자가 설계할 때 여백의 양을 결정할 수 있도록 측정 값은 정확해야 한다. 예를 들어서 전지 사양에 따라서 최대 충전 전압을 4.3V로 제한하고 측정 데이터의 정확도가 ±50mV라고 한다면, 전압이 4.25V로 측정되었을 때 충전을 멈추도록 시스템을 설계해야 한다. 그런데 이때 실제 전지 전압이 4.2V보다 낮을 수도 있으므로, 이런 경우에는 전지가 완전히 충전되기 전에 충전이 중단되기 때문에 용량이 낭비되고 배터리 수명이 단축된다.
BQ76942, BQ76952와 같이 배터리 팩을 위한 정확도가 높은 배터리 모니터링과 보호기는 리튬이온, 리튬 폴리머, 인산 리튬 전지를 사용하는 애플리케이션에 적합하게 설계되었다. 3s부터 최대 10s(BQ76942)와 16s(BQ76952)의 직렬 배터리 스택을 지원할 수 있는 디바이스는 전지 전압, 전류, 온도를 측정하고 이 데이터를 배터리 팩 내의 별도의 마이크로컨트롤러나 전기 자전거의 시스템 컨트롤러와 같은 다른 회로와 데이터를 공유할 수 있다.
BQ76942와 BQ76952는 이 데이터를 사용하여 자율적으로 배터리 보호 조치를 실행하고, 배터리 팩을 비활성화하여 제조업체가 지정한 규격 범위 밖의 작동을 막으며, 정상 상태로 돌아오면 호스트나 시스템 마이크로컨트롤러의 상호 작용 여부와 상관없이 팩을 다시 활성화한다.
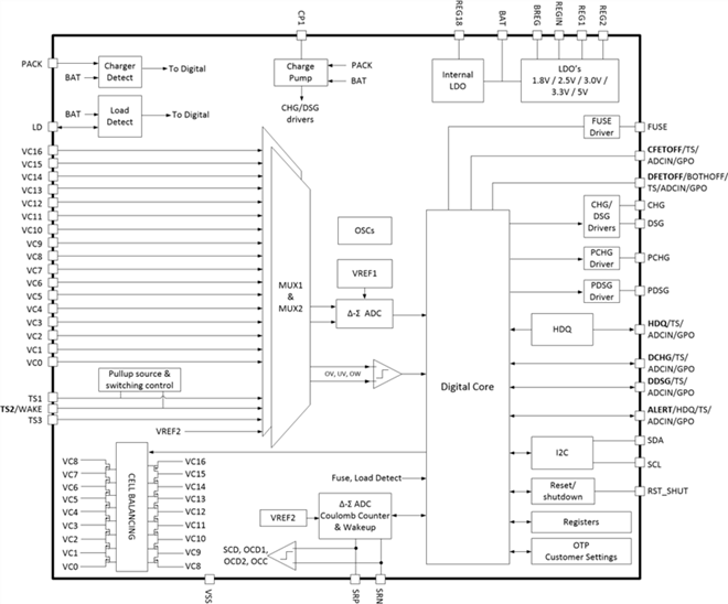
▲ [그림 1] BQ76952의 블록 다이어그램
[그림 1]은 BQ76952의 블록 다이어그램을 보여준다. 이 디바이스는 다음과 같은 것들을 포함한다.
● 매개변수가 허용 임계 값을 초과할 경우를 대비해 전압, 전류 및 온도를 모니터링하는 측정과 감지용 서브시스템
● 외부적 보호 FET과 화학 퓨즈를 구동하기 위한 엑추에이터
● 선택적 기능을 위한 핀 제어 외에 다수의 직렬 통신 표준을 지원하는 디지털 호스트 인터페이스 서브시스템
● 여러 개의 전압 레귤레이터 중 하나는 내부 회로 용도이며, 두 개는 외부적인 용도
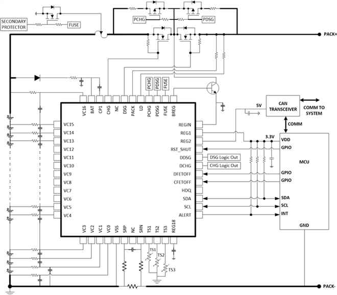
[그림 2]는 BQ76952를 기반으로 한 16s 배터리 팩의 회로도를 보여준다. 호스트 마이크로컨트롤러와 통신을 하기 위해 I2C를 사용한다. 내장된 레귤레이터가 마이크로컨트롤러와 옵션인 외부 트랜시버에 전원 레일을 제공한다.
▲ [그림 2] BQ76952를 기반으로 하는 16s 시스템 회로도
BQ76942와 BQ76952의 측정을 위한 서브시스템이 배터리 팩 내의 전압, 전류, 온도를 디지털화 한다. 측정값은 각각 요구되는 사항이 다르므로 서로 다른 방식으로 측정이 이루어진다. 예를 들어서 온도는 서서히 변화하므로 긴 간격을 두고 측정 및 계산하지만 팩 전류는 순간적으로 변화하므로 수시로 측정하지 않으면 데이터를 놓칠 수도 있다.
전압과 쿨롬 카운터 ADC로부터 생성된 값들은 측정 데이터로서 디바이스 내에서 사용되며, 전동공구 및 전기 자전기에 대한 배터리 팩 내의 별도의 프로세서나 시스템 컨트롤러로 전달된다. 이 데이터는 다음을 포함한다.
● 개별 전지들의 차동 전압과 추가적인 시스템 전압
● 팩 전류와 통과 전하량(쿨롬 카운터)
● 내부 다이와 최대 9개의 외부 서미스터의 온도 측정값
외부 서미스터 측정을 지원하는 핀은 범용 ADC 입력에도 활용할 수 있으며, 최대 1.8V의 입력 전압을 지원한다. 전압 ADC는 측정 루프를 사용해서 작동하며, 몇몇의 입력 값들은 주기적으로 멀티플렉싱 된다. BQ76942와 BQ76952의 측정 서브시스템은 측정 속도와 정확도 사이의 최적화와 절충이 가능하도록 몇몇의 프로그램 가능한 옵션들을 포함한다.
배터리로 구동되는 소비재가 점점 늘어나면서 이러한 장비들을 안전한 전압, 전류, 온도 범위로 작동하는 것이 중요하다. 기능이 통합된 배터리 모니터링은 설계 엔지니어가 이러한 세 가지 주요 문제를 해결하는 동시에 정확성을 향상시키는 데 도움이 될 수 있다. TI의 배터리 모니터링 디바이스를 사용한 설계에 관해서는 아래 링크에서 더 많은 정보를 추가적으로 확인할 수 있다.
배터리 모니터링의 정확도에 대한 궁금증을 풀다
배터리 팩에 흐르는 전류는 여러가지 다양한 목적에 따라 측정되고 사용된다. 예를 들어, 전동공구에 달린 탈부착식 배터리 팩에서 실수로 단락이 발생하면, 전류가 과도하게 흘러 위험한 상황이 발생할 수 있다. 뿐만 아니라, 진공청소기처럼 배터리가 내장된 기기의 내부 오작동으로도 기기가 안전하게 작동할 수 있는 수준을 초과한 양의 전류가 흐를 수도 있다.
초과 수준 이하의 전류를 모니터링하고, 안전하지 않은 작동이 감지되면 회로를 차단해 전류가 흐르는 것을 방지하기 위해선 직렬 전계 효과 트랜지스터, 계전기, 퓨즈와 같은 보호 장치를 갖추는 것이 중요하다. 일반적으로 대부분의 설계 디자인은 빠른 감지를 통한 안전성을 확보하기 위해 전류를 모니터링하는 비교기를 사용하는 반면, 일부는 배터리 팩에 내장된 아날로그-디지털 변환기(ADC)가 디지털화 된 데이터를 사용한다.
배터리 팩 전류 측정은 배터리의 충전 상태 또는 배터리 상태를 확인하고, 배터리 잔량 또는 시스템 작동 가능 여부를 예측을 위해 중요하다. 임피던스 트랙 기술 또는 CEDV 알고리즘을 도입한 대부분의 최신 배터리 계측기는 쿨롬 카운팅 방식을 통해 전류량을 계산한다.
쿨롬 카운터는 전류 측정 전용 ADC로서 일반적으로 소형 직렬 감지 저항기의 차동 전압을 측정해 배터리팩 내에 흐르는 전류를 끊임없이 측정한다. 일반적인 시스템에 사용되는 감지 저항기는 대개 1 mΩ 이하의 범위를 지원하는 반면, 고전류 시스템에 사용되는 감지 저항기는 100 µΩ 이하의 범위도 지원할 수 있다. 고전류 시스템에서 과도한 열 발생을 방지하려면 낮은 저항 값이 필요하지만, 이는 높은 부하에서 감지 저항기가 발생하는 전압이 50mV 이하로 제한될 수 있다는 것을 의미한다.
대부분의 배터리 계측 알고리즘은 계산 시, 배터리로 유입되거나 배터리에서 유출되는 누적된 전하량을 사용한다. 누적 전하량은 시간 경과에 따른 전류 측정값을 통합해 계산된다. 이런 계산에서는 전류 측정 오프셋이 중요한데, 오프셋은 전하가 통합될 때 시간이 경과함에 따라 사실상 상당한 양의 오류 전하를 생성하는 팬텀 전류로 나타나기 때문이다.
낮은 오프셋과 높은 해상도로 작은 전압 범위를 측정하는 것은 설계에 있어서 어려운 과제이며, 이 과제에서 쿨롬 카운터는 배터리 모니터링의 최고 성능 서브시스템이 된다.
이 과제를 해결하기 위해선 TI의 배터리 모니터 BQ76942 (3s~10s)와 BQ76952(3s~16s)는 낮은 측 감지 저항기에서 최대 ±200mV의 차동 전압을 측정할 수 있는 16-24 비트 델타-시그마 쿨롬 카운터 ADC를 통합했다. 또한 이 디바이스에는 비교기를 사용해 충전과 방전 상태 모두에서 방전과 과전류 조건의 단락을 감지하는 전류 보호 기능도 포함되어 있다.
ADC 전류 측정
● BQ76942와 BQ76952는 데이터의 용도별 여러가지 최적의 디지털 전류 측정 방법을 제공한다.
● CC1 전류() – CC1 전류() 측정은 디바이스가 일반 모드일 때(충전 중이거나 방전됐을 때) 250ms 마다, 절전 모드일 때 (충전 중이 아니거나 방전된 상태가 아닐 때)는 4초마다 진행된다. 이 값은 일부 통합된 전류 기반 보호 기능과 누적 전하 통합에 사용된다. CC1 전류() 데이터는 DASTATUS5() subdommand을 통해 16 비트 형식으로 보고된다. 누적 전하량은 DASTATUS6() subdommand을 통해 64비트 형식으로 보고된다.
● CC2 전류() – CC2 전류() 측정은 일반 모드에서 3ms 마다 진행되며, 절전 모드에서는 각 전원:절전:전압 시간 간격동안 제공된다. 이 값은 전력() 명령을 통해 16비트 형식으로 보고되며, 미가공 24 비트 데이터는 추가적인 후 처리를 위해 32 비트 형식으로 제공된다. 변환 해상도를 낮춰 [FASTADC] 비트를 설정하면 3ms 변환을 1.5ms 변환으로 변경할 수 있다.
● CC3 전류() – CC3 전류() 측정값은 다수의 CC2 전류() 측정값의 평균값으로, 후에 처리할 수 있도록 느린 출력 속도에서 더 높은 해상도의 데이터를 제공한다. 평균 샘플 개수는 설정:구성:CC3 샘플 설정을 통해 2에서 225까지 프로그래밍 할 수 있다. DASTATUS5() subdommand은 32비트 형식으로 데이터 결과를 보고한다.
● DASTATUS1~4() subdommand은32 비트 형식의 전지 전압 측정값과 동기화된 미가공 전류 ADC 판독값을 보고한다. 이 값은 일부 계측 알고리즘에 사용되는 전지 임피던스를 분석하는데 유용하다.
BQ76842와 BQ76952는 서로 다른 범위의 전류를 수용하기 위해 전류 측정값에 따라 단위를 선택할 수 있다. 예를 들어, 1mA 단위를 사용할 경우 16비트 형식으로 보고된 CC1 전류()는 -32.768A와 +32.767A 사이의 전류를 나타낸다. 더 높은 전류 측정이 필요할 때는 단위를 10mA로 변경해 -327.68A와 +327.67A 사이의 전류를 나타낼 수 있다.
설정:구성:DA구성:[USER_AMPS_1:0] 구성은 단위를 설정하는 기준이다. 이 단위는 CC2 전류()와 CC1전류(), CC3전류() 값에 적용된다.
BQ76842와 BQ76952가 감지 저항기를 통해 측정된 전압을 전류 값으로 변환하려면 전류 게인 값(캘리브레이션:전류:CC게인 그리고 캘리브레이션:전류:용량 게인)이 필요하다. 이 게인 값은 시스템에 사용된 감지 저항기의 공칭값을 기준으로 설정할 수도 있고, 각 인쇄회로기판(PCB)에 대해 조정할 수도 있어 디바이스 메모리에 저장이 가능하다.
이 디바이스에는 보드 레벨 오프셋 전류에 대한 설정도 포함되어 있으며, 보드 레벨 오프셋 전류는 각 PCB마다 결정되어 메모리에 저장될 수 있다. (캘리브레이션:전류 오프셋:쿨롬 카운터 오프셋 샘플에 설정된 샘플의 개수) 캘리브레이션:전류 오프셋:보드 오프셋에 저장된 측정값의 합계를 활용해 제조라인에서 여러 측정값을 확보할 수 있다. 이 디바이스는 전류 값을 보고할 때 CC게인으로 값을 조정하기 전에 각 판독 값에서 보드 오프셋/쿨롬 카운터 오프셋 샘플 값을 뺀다.
동기화된 전압과 전류 측정
BQ76942와 BQ76952는 전류와 각 전지 전압을 동시에 측정하기 위해 두 개의 델타 시그마 ADC를 사용해 동기화된 측정값을 지원한다. 각 셀 전압과 동기화된 전류에 대한 미가공 24-비트 ADC 판독 값은 디바이스에 저장되며, 동기화된 한 쌍으로 읽을 수 있다. 이 데이터를 이용해 전지 임피던스 또는 상호 연결된 저항 값을 분석할 수 있다.
누적 전하량 측정
BQ76942와 BQ76952는 누적 전하 값을 생성하기 위해 쿨롬 카운터 전류 데이터를 지속적으로 통합한다. 호스트는 0X0082 RESET_PASSQ() subdommand을 사용해 필요에 따라 적분기를 재설정할 수 있다. 또한 이 디바이스에는 초단위의 타이머가 포함되어 있어, 쿨롬 카운트 통합과 동시에 재설정할 수 있다. 누적 전하 값을 타이머로 나눠서, 타이머가 시작된 이후 시간 간격 동안의 평균 전류 값을 계산할 수 있다.
누적 전하는 두 개의 32비트값으로 제공된다. 첫번째 32비트 (서명된) 데이터는 userAh 단위로 전하를 보고하며, 두 번째 32비트 (서명되지 않은) 데이터는 userAh/232 단위로 분수 전하를 보고한다. 64비트 누적 전하 데이터와 타이머 값은 모두 0x0076 DASTATUS6() subdommand에 의해 보고된다.
BQ76942와 BQ76952의 배터리 모니터링과 보호 장치는 정밀한 쿨롬 카운터를 갖춘 고성능 측정 서브 시스템을 구현해낸다. 이 디바이스의 전류 측정 서브 시스템은 구성이 뛰어나서, 속도와 해상도 사이에서 균형을 유지할 수 있도록 한다. 또한 계측 기능, 사후 프로세싱, 전류 기반 배터리 팩 보호 기능에 최적화된 다수의 전류 판독 값을 제공한다.
글 / 테리 스컬리(Terry Sculley) TI(Texas Instruments) 배터리 관리 시스템 엔지니어





