
텔레다인 르크로이가 공급하는 MDA800 시리즈의 하모닉 연산 옵션은 숫자 테이블 디스플레이에 THD 측정 파라미터를 추가했다.
다른 숫자 테이블 파라미터와 함께, 사용자들은 간단히 숫자 테이블 파라미터 값을 터치 해 매 주기별로 이 파라미터들의 특징을 관찰할 수 있다.
이 파형은 다른 컨트롤 또는 전력 시스템 파형들과 복잡한 드라이브 특징에 작용하거나 드라이브 시스템 문제들을 디버그하는 데 사용될 수 있다.
이솔이 기자

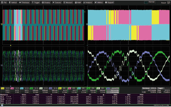
텔레다인 르크로이가 공급하는 MDA800 시리즈의 하모닉 연산 옵션은 숫자 테이블 디스플레이에 THD 측정 파라미터를 추가했다.
다른 숫자 테이블 파라미터와 함께, 사용자들은 간단히 숫자 테이블 파라미터 값을 터치 해 매 주기별로 이 파라미터들의 특징을 관찰할 수 있다.
이 파형은 다른 컨트롤 또는 전력 시스템 파형들과 복잡한 드라이브 특징에 작용하거나 드라이브 시스템 문제들을 디버그하는 데 사용될 수 있다.
이솔이 기자
