3상 전원이 공급되도록 설계된 전자 계량기나 고전력 가전 제품 등에서 사용되는 전원 공급 장치는 고전력 발생 시 위상 간 연결 착오를 견딜 수 있어야 한다. 여기서는 회로 설계 및 부품 선택을 간소화시키고, 높은 효율성과 신뢰성을 보장하는 새로운 프리 레귤레이터 토폴로지 등의 전원 공급 장치 설계를 위한 접근법에 대해 알아본다.
위상 장애 면역
전자 계량기 AC 전원 공급 장치에 연결 착오가 발생하거나 3상 전원으로 작동하는 에어컨 또는 인덕션 쿠커 등의 고출력 부하가 두 개의 위상에 잘못 연결될 경우, 전원 공급 인풋에서 매우 높은 전압이 발생할 수 있다. 이러한 종류의 오류에서 자유롭기 위해서는 평소 주 AC/DC 전원 공급 장치가 주 RMS 공급 전원의 약 두 배에 달하는 전압을 견딜 수 있어야 한다.
미국에서 운용되는 시스템의 경우에는, 평상시 주 전압이 110Vac일 때 범용 메인 입력값을 가진 SMPS가 이 요건을 충족시킬 수 있다. 하지만 유럽이나 아시아에서는 SMPS가 460V(정류 시 600Vdc 이상)에 달하는 전압을 견딜 수 있어야 한다.
입력 시 두 개의 벌크 커패시터를 직렬 연결하여 표준 SMPS 입력 값을 수정하면 가능해진다. 그런 다음 MOSFET으로 전통적인 내장형 플라이백 컨버터에 정격 1000V 이상을 투입하거나 캐스코드 연결을 활용하여 개량된 플라이백 아키텍처를 통하면 된다.
정격 전압 450V 이상의 벌크 커패시터는 시중에서 구할 수 없다. 따라서 600V 이상의 전압을 지원하려면 두 개의 직렬 커패시터가 필요하다. 커패시터가 직렬로 연결되므로 홀드업 시간 동안 저장되는 에너지를 전반적으로 같게 유지하려면 값이 두 배가 되어야 한다.
두 커패시터 간의 불균형 전압 분산을 피하기 위해서는 각 커패시터와 저항기를 병렬로 연결해야 한다. 이 경우 I2R 손실이 추가되므로 전원 공급 효율이 떨어진다. 커패시터의 단락 오류를 방지하려면 추가적인 과도 전압 억제 장치(TVS)도 필요하다.
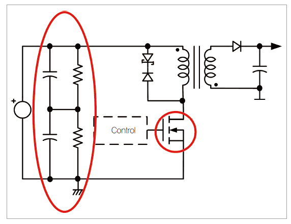
그림 1은 전형적인 플라이백 컨버터를 공급하는 개량형 벌크 커패시터 회로를 나타낸 것이다.

그림 1. 플라이백 컨버터의 직렬 벌크 커패시터 회로와 단일 1,000V MOSFET
이 접근법은 추가적인 스위칭 블록을 필요로 하지 않지만 반드시 정격 전압 1,000V 이상의 MOSFET을 사용하여 늘어난 전압 오류 정점에서 컨버터 플라이백 전압을 지원해야 한다.
더 다양한 전압을 투입할 수 있는 SMPS를 설계하려면 더 늘어난 범위에서 레귤레이션을 유지하는 주파수 역학 또는 MOSFET ON Time(ton) 변이가 필요하다. 이때 MOSFET의 dV/dt가 높을수록 스위칭 손실이 증가하고 효율이 저하되며 EMI 간섭 위험도 높아진다.

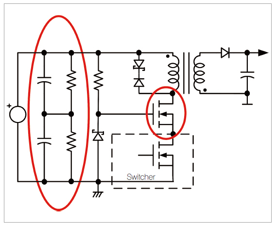
그림 2. MOSFET 및 스위처를 갖춘 캐스코드 구성의 고전력 인풋 SMPS
또한, 그림 2와 같이 단일 MOSFET을 캐스코드로 구성된 두 개의 MOSFET으로 대체할 수도 있다. 일반적인 700V 스위처와 600V 파워 MOS는 모두 플라이백 전압과 정류된 인풋 전압의 합계를 견딜 수 있다. 회로도에 나타난 바와 같이, 600V MOSFET의 게이트에서 추가적인 TVS가 필요하다. 표준 플라이백과 마찬가지로 정확한 아웃풋 전압을 제어하려면, 방대한 스위칭 주파수 편위 또는 ton 역학에 상응하는 광범위한 인풋 전압 범위에 모두 대응하도록 설계해야 한다. 스위칭 손실과 복합 EMI 서명의 위험도 비슷하다.
신중하게 설계해보면 800V 출력의 MOSFET 또는 스위처를 갖춘 전형적 토폴로지를 활용하는 솔루션도 사용 가능하다. 단, 오류 상태에서 공급 전압이 최고 상태에 도달하더라도 (약 620V) 최대 과도 전압이 800V 이하로 유지되도록 컨버터로부터 반사된 전압을 최소화시키기 위해 주의해야 한다. 이를 위해서는 컨버터의 권선비(Np/Ns)와 1차 인덕턴스가 낮아야 한다. MOSFET ON Time, ton은 인풋 전압이 높고 출력이 낮을 때 극히 짧아야 하지만, 2차 다이오드는 유도 시간이 길다.
성능을 제한하고 신뢰성을 저하시키며 해당 솔루션 비용을 가중시키는 요소들은 여러 가지가 있다. 짧은 ton의 경우 제어 불안정을 유발하여 SMPS를 다운시키거나 주파수를 낮추게 된다.
일반적으로 Avalanche-proof Power MOSFET에는 10%의 전압 여유가 적절하다고 생각되지만, 과도 및 시작 단계의 신뢰성 문제를 피하기 위해 비 Avalanche-proof 소자에는 20%의 여유를 고려해야 한다.
2차 다이오드는 비싸고 부피가 크며 효율을 저하시키는 큰 Vf의 다이오드가 요구되는 경향이 있으므로 높은 역전압 능력을 갖추고 있어야 한다. 컨버터 누설 인덕턴스에 의해 초래되는 피크 전압은 800V 제한 이하로 매우 낮게 유지되어야 하므로, 전력 손실이 증가하고 전반적인 효율이 저하되는 커다란 스너버 회로가 요구된다.
새로운 프리 레귤레이터 설계

그림 3. 컨버터 설계를 간소화시키며 더 작고 저렴한 부품만으로 사용 가능한 프리 레귤레이터
새로운 대안은 그림 3과 같이 SMPS 인풋 단자에 전압 레귤레이터를 삽입하는 방법이다. 이 경우 벌크 커패시터 및 관련 회로를 직렬로 연결할 필요가 없고, 전형적인 플라이백 컨버터 설계를 사용할 수 있어 특고압 부품이 필요 없다.
SMPS 인풋 전압이 인풋 정류기에 의해 발생하는 최대 380Vdc의 정상 전압을 초과하지 않도록 레귤레이터를 설계할 수 있다. 이렇게 하면 전압이나 설계 문제 없이 하나의 표준 450V 벌크 커패시터 및 700V 일체형 스위처를 사용할 수 있다.
그러나 제어된 아웃풋 전압을 추가로 줄여서 SMPS 인풋을 최소 전압 200Vdc(140Vac×√2)로 유지하면 더 큰 이점을 얻을 수 있게 된다.
프리 레귤레이터는 Low Drop-Out(LDO) 레귤레이터와 유사하게 200Vdc 제어 전압을 제공하지만 스위칭 동작에서 과도한 전력 손실, 대량 열 싱크 및 신뢰성 문제에서 자유롭다. 250V 벌크 커패시터를 활용하면 크기와 비용을 줄일 수 있다. SMPS 스너버는 프리 레귤레이터 MOSFET을 제어 및 구동할 수 있다.
효율성을 극대화하기 위해서는 최소한의 레귤레이터 전압 강하로 MOSFET을 통해 벌크 커패시터에 에너지를 제공하도록, 프리 레귤레이터 스위칭을 메인 전원 공급과 동기화시키면 된다. 이 방법으로 효율을 약 90%까지 높일 수 있다. 이 설계는 전파가 아닌 반파 정류를 활용해 과도하게 짧은 on-time을 피하고 스위칭 손실을 줄인다. 이 프리 레귤레이터 설계는 또한 시작 단계에서 돌입 전류를 억제하는 회로도 갖추고 있다.
SMPS 설계 역시 시스템의 프리 레귤레이터를 통해 간소화할 수 있다. 인풋 전압 범위가 대폭 감소함에 따라 주파수 및 ton의 큰 변동폭을 지원할 필요가 거의 없다. 250V 커패시터는 또한 450V 커패시터보다 작고 경제적이므로, 소형 250V 벌크 커패시터를 사용하여 전반적인 크기 및 비용에 최소한의 영향을 주면서 홀드업 시간을 개선시킬 수 있다. 벌크 커패시터에서 볼 수 있듯이, 공급 전압이 낮을수록 스너버 회로의 정전 용량을 줄일 수 있어 스너버 저항이 증가한다.
공급 전압이 줄면 반사되는 전압 능력을 확대시켜 변압기 설계에서 유연성을 부여할 수 있으므로, 스너버 크기와 전력 손실을 줄이고 효율성을 높일 뿐 아니라 2차 다이오드의 역전류 및 그에 따른 Vf를 낮출 수도 있다. 공급 전압 감소에 따른 추가 이점으로는 스위칭 손실 및 EMI 개선을 들 수 있다. 전반적으로 프리 레귤레이터는 MPS 효율을 높이면서도 크기와 비용을 대폭 절감할 수 있다.
이 솔루션을 규정짓는 데에는 여러 가지 다른 사항들도 짚고 넘어갈 필요가 있다. 전류는 표준 플라이백 컨버터의 최소 공급 전압에 의해 전달되는 전류를 초과하지 않으므로, 표준 메인 필터값을 특별히 변경할 필요가 없다. 이제는 프리 레귤레이터의 전류 억제기가 이 기능을 제공하기 때문에, 돌입 전류를 억제하는 데 사용되는 NTC 소자를 없앨 수도 있다. 뿐만 아니라 프리 레귤레이터 작동 전에 이미 정류가 실행되므로 SMPS는 반파 또는 브리지 정류기를 필요로 하지 않는다.
200V 프리 레귤레이터는 초 고효율 LDO와 같은 역할을 하며, 극히 높은 입력 전압을 수용할 수 있는 전원 공급 장치 설계를 간소화한다.
따라서 이 솔루션은 ‘오픈 중립’이나 두 위상 사이의 연결 착오 등, 오류로 인해 높은 인풋 전압을 견뎌야 하는 단상 전원 공급 장치에 적합하다.
이 프리 레귤레이터를 사용하면 벌크 커패시터 선택이 간소화되며 필요한 커패시터의 크기와 수를 줄일 수 있다. 저압 벌크 커패시터 한 개는, 두 개의 커다란 커패시터 및 밸런싱 저항을 필요로 하는 재래식 접근법에 비해 공간과 비용을 크게 줄일 수 있으며 긴 홀드업 타임도 견딜 수 있다. 그리고 450V가 아닌 250V 벌크 커패시터를 사용하면 더 나은 기술의 커패시터를 활용하여 높은 실온에서 수명을 연장시킬 수 있다.
이 솔루션의 또 다른 이점은 개별 컨트롤러를 갖춘 고압 MOSFET 또는 MOSFET과 고압 스위처 캐스코드를 연결하는 대신 한 개의 700V 통합 스위처를 활용할 수 있다는 것이다. 변압기 설계를 간소화시킬 뿐 아니라, 보다 작은 2차 다이오드를 활용할 수도 있다. 이러한 사항은 혹독한 환경에서 10년 이상 연속으로 작동해야 하는 전자 계량기 등의 애플리케이션에서 반드시 필요한 부분이다.
Jean-Paul Louvel _ ON Semiconductor





